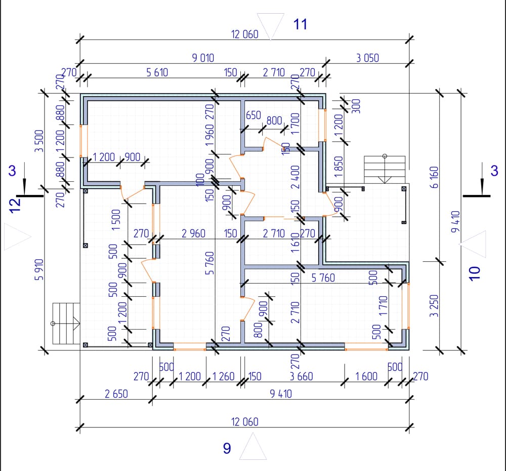
Данные объекта:
Дом с размерами 9,41х12,06 м. под заливку пенобетоном;
Стены шириной профиля 150 мм;
Колонно-ригельная система для устройства террас;
Кровля плоская по балкам;
Пергола над террасами.
Вес каркаса ЛСТК 3352,36 кг.
На сборку ЛСТК требуется 12000 шт. винтов самонарезающих.
